NT5860 Chainsaw Parts

The spare parts of semi-professional gasoline chainsaw NT5860 are sourced from world-class supplier;
Engine and crankshaft body meticulously crafted with precision from lightweight aluminum-alloy material;
Plastic spare parts reinforced with superior-grade nylon for exceptional thermal resistance and physical robustness;
22" / 55.9 CM chainsaw guide bar skillfully manufactured using durable and wear-resistant alloy steel;
Germany standard saw chain (0.325'' pitch and 0.058'' gauge) renowned for its remarkable flexibility and sharpness;
Chain saw brake system that is highly responsive, reliable, and compliant with the stringent European CE standard;
Convenient transparent fuel indicator enabling effortless monitoring of fuel levels;
Easy-to-use flip-up fuel cap that opens smoothly and securely fastens in place;
Ergonomically designed grip holster grasp promoting increased friction and a secure hold;
Incorporated shock absorption dampers for effectively minimizing vibrations and ensuring a comfortable wood cutting experience.

Exploded View Of The Whole Machine

Important Spare Parts

1708332239440642
A1 A17 Left Box/Right Box
1708332240948858
A-6 Packing Paper Pad
1708332239855580
B-1 B-5 B-10 B-11 Cylinder Assy
1708332240613737
B-3 Crankshaft
1708332240802415
C1-4 Silencer (double hole)
1708332240726565
C2-4 C2-10 C2-17 Chain Saw Fuel Tank Assy
1708332240384325
D-3 Flywheel
1708332240795924
D-10 Spark Plug
1708332240508182
D-12 Ignition Assembly
1708332240800025
D-17 D-27 Oil Pump Assy
1708332240291260
D-25 Passive Disk
1708332240592558
D-27 Clutch
1708332241639434
D-28 Sprocket
1708332241131922
E-14 Trigger Control Arm
1708332241749546
F-5 Cylinder Cover
1708332241760278
F-9 Carburetor
1708332241123492
G1 Starter Assembly
1708332241153099
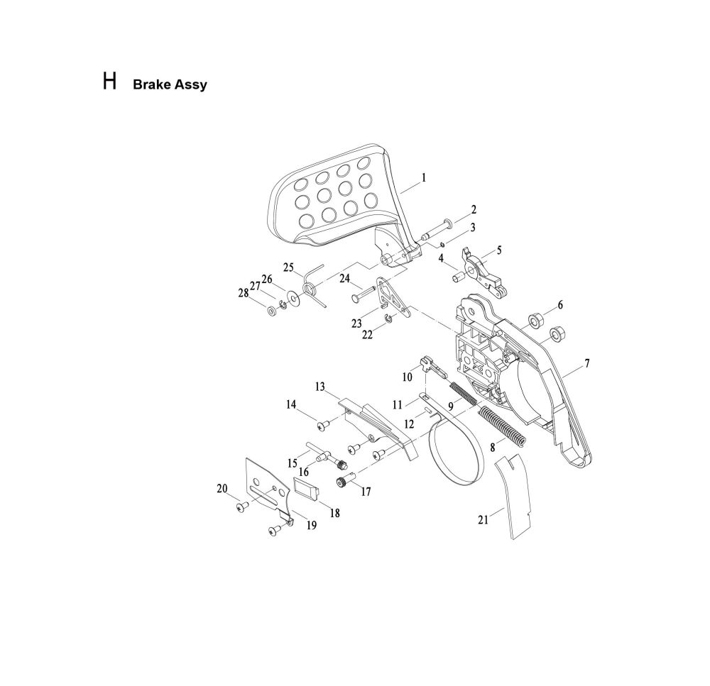
H Brake Assembly
1708332241714918
F-17 Wire Mesh Air Filter
1708332241718681
Chainsaw Chain
1708332241985849
Chainsaw Guide Bar

Other Spare Parts

A.  Box Assembly E.  Handlebar and Shock Absorption System
Code Part Name Code Part Name
A-1 Left Box E-1 Handle
A-2 Left Oil Seal E-2 Screw
A-3 Left Box Shock Absorber E-3 Screw
A-4 Hole Retaining Ring E-4 Tower Spring Gland
A-5 Bearing E-5 Conical Tower Spring
A-6 Packing Paper Pad E-6 Tower Spring Seat
A-7 Pipe Joint E-7 Shock Absorber Seat (Short)
A-8 Double Needle Shock Absorber E-8 Dust Cover
A-9 Right Oil Seal E-9 Shock Absorber Spring (Short)
A-10 Screw E-10 Screw
A-11 Oil Outlet Cover E-11 Shock Absorbing Seat (Long)
A-12 Oil Outlet Cover Gasket E-12 Shock Absorber Spring (Long)
A-13 Chain Adjuster E-13 Rear Handle Cover
A-14 Stud A E-14 trigger Control Arm
A-15 Screw E-15 Throttle Push Rod
A-16 Chainsaw Bumper Spikes E-16 Dustproof Rubber Block
A-17 Right Box E-17 Wind Resistance Tie Rod Shock Absorber
A-18 Cylindrical Pin E-18 Fuel Tank Cap Assembly
A-19 Oil Inlet Pipe Circlip E-19 Fuel Tank Cap Gasket
A-20 Insulation Sleeve E-20 Oil Bottle Cap Lanyard
A-21 Spring Sleeve E-21 Hook Up
A-22 Negative Pressure Oil Pipe E-22 Screw
A-23 Screw E-23 Socket Wrench
A-24 Oil Tank Cap Assembly F.  Air filter and outer cover
A-25 Oil Tank Cap Gasket Code Part Name
A-26 Hook Up F-1 Upper Cover Knob
A-27 Oil Bottle Cap Lanyard F-2 Lock Nut Gasket
A-28 Oil Seal Pressure Plate F-3 Upper Cover
A-29 Screw F-4 Fuel Tank Cap Pin
A-30 Sponge F-5 Cylinder Cover
A-31 Intake Valve Circlip F-6 Screw
A-32 Breather Valve F-7 Screw
B.  Crankshaft Piston Cylinder Assembly F-8 High Voltage Line Sealing Sheet
Code Part Name F-9 Carburetor (Linked, With Oil Bubble)
B-1 Small Head Needle Roller Bearing F-10 Air Filter Seat
B-2 Half Round Key F-11 Buffer Block
B-3 Crankshaft F-12 Screw
B-4 Small Head Anti-Friction Pad F-13 Damper Lever
B-5 NT58 piston group F-14 Open Rubber Gasket
B-6 Piston Pin Circlip F-15 Paper Air Filter
B-7 Piston F-16 Air Filter Compression Ring
B-8 Piston Pin F-17 Wire Mesh Air Filter
B-9 Piston Rings F-18 Air Filter Seat
B-10 Cylinder Gasket G1.  Starter Assembly
B-11 Cylinder Code Part Name
B-12 Screw G1 Starter Assembly
C1.  Intake and Exhaust System G1-1 Starter Cover
Code Part Name G1-2 Drawstring
C1-1 Screw G1-3 Noose
C1-2 Nut G1-4 Start The Handle
C1-3 Double Hole Silencer Pressure Plate G1-5 Flat Pad
C1-4 Silencer (Double Hole) G1-6 Handle Plug
C1-5 Muffler Gasket G1-7 Return Coil Spring (With Box)
C1-6 Bolt G1-8 Rope Pulley
C1-7 Intake Pipe Paper Gasket G1-9 Flat Pad
C1-8 Intake Pipe G1-10 Screw
C1-9 Screw G1-11 Screw
C1-10 Intake Pipe Bracket G2.   Easy Starter Assembly
C1-11 Thermal Paper Pad Code Part Name
C1-12 Flange G2 Easy Starter Assembly
C1-13 Intake Pipe Liner G2-1 Starter Cover (Easy Start)
C1-14 Lower Potholder G2-2 Drawstring
C1-15 G2-3 Noose
C2.  Fuel Tank Components G2-4 Start The Handle
Code Part Name G2-5 Flat Pad
C2-1 Cylindrical Pin G2-6 Handle Plug
C2-2 Throttle trigger G2-7 Return Coil Spring
C2-3 trigger Torsion Spring G2-8 Rope Pulley
C2-4 Chain Saw Fuel Tank G2-9 Buffer Spring
C2-5 Balancer G2-10 Start The Cover
C2-6 Balancer Tube G2-11 Flat Pad
C2-7 Fuel Pipe G2-12 Screw
C2-8 Fuel Pipe Circlip G2-13 Air Deflector
C2-9 Double Headed Pin G2-14 Screw
C2-10 Fuel Filter H.  Brake Assembly
C2-11 Wrench Fixing Rubber Block (Front) Code Part Name
C2-12 Rubber Block (Rear) H Brake Assembly
C2-13 Screw H-1 Front Fender
C2-14 Oil Injector H-2 Front Fender Pin
C2-15 Oil Injector Gasket H-3 Open Retaining Ring
C2-16 Oil Injector Return Pipe H-4 Baffle Pin Sleeve
C2-17 Negative Pressure Oil Pipe H-5 Main And Auxiliary Lever Assembly
D.  Ignition system, pump oil and clutch components H-6 Nut
Code Part Name H-7 Right Cover
D-1 Nut H-8 Brake Spring
D-2 Disc Spring Pad H-9 Brake Auxiliary Spring
D-3 Flywheel H-10 Brake Lever
D-4 Flywheel Pawl Screw H-11 Brake Band
D-5 Iron Claw H-12 Cylindrical Pin
D-6 Paw Torsion Spring H-13 Brake Cover
D-7 Kill Switch H-14 Screw
D-8 Flameout Line H-15 Tension Driven Gear
D-9 Screw H-16 Guide Plate Adjusting Nut
D-10 Spark Plug H-17 Tension Drive Gear
D-11 Ignition Wire Sheath H-18 Chain Guide Block
D-12 Ignition Assembly H-19 Tensioner Cover
D-13 Screw H-20 Screw
D-14 Oil Inlet Pipe H-21 Chipboard
D-15 Oil Pipe Expansion Sleeve H-22 Open Retaining Ring
D-16 Fuel Injector H-23 Limit Plate
D-17 Oil Pump Cover H-24 Limit Pin
D-18 Screw H-25 Brake Torsion Spring
D-19 Worm H-26 Flat Pad
D-20 Screw H-27 Open Retaining Ring
D-21 Oil Pump H-28 Rubber Gasket
D-22 Sponge
D-23 Oil Filter Assembly
D-24 Needle Roller Bearings
D-25 Passive Disk
D-26 Clutch Gasket
D-27 Clutch
D-28 Sprocket
D-29 Passive Disk

Seeking high-quality accessories for your machine? Submit an inquiry now!

Please provide the model type of your machine in your inquiry, and mention the keywords like chainsaw parts, brush cutter parts, sprayer/mist duster parts, leaf blower parts, hedge trimmer parts, water pump parts, generator parts, engine parts, lawn mower parts, etc.

RELATED ENTIRE MACHINES